网站首页
关于西马特
关于西马特
公司简介
荣誉资质
产品中心
手动高真空挡板阀系列
电气动高真空挡板阀系列
电磁高真空挡板阀
高真空电磁压差式带充气阀系列
高真空插板阀系列
高真空蝶阀系列
高真空球阀系列
电磁高真空截止阀/KF
超高真空挡板角阀(CF系列)
微调阀
YG系列油雾器
高真空挡板泄压角阀/KF
真空连接件ISO-KF 系列
真空连接件ISO-K系列
CF真空连接件
新闻资讯
新闻资讯
公司新闻
行业新闻
常见问题
案例展示
案例展示
维修案例
应用案例
下载中心
下载中心
西马特机电
三维图纸
合作伙伴
联系我们
产品中心
您现在的位置:网站首页 > 产品中心 > 真空连接件ISO-KF 系列
产品中心
手动高真空挡板阀系列
- 手动高真空挡板角阀/KF
- 手动高真空挡板直通阀/KF
- 手动高真空挡板角阀/ISO-K系列
电气动高真空挡板阀系列
- 电气动高真空挡板角阀/KF(波纹管密封)
- 电气动高真空挡板角阀/KF(无波纹管密封)
- 电气动高真空挡板直通阀/KF(波纹管密封)
- 电气动高真空挡板直通阀/KF(无波纹管密封)
- 电气动高真空常开挡板角阀/KF(波纹管密封)
- 电气动高真空常开挡板角阀/KF(无波纹管密封)
- 电气动高真空挡板角阀/ISO-K系列(双作用)
- 电气动高真空挡板角阀/ISO-K系列(单作用)
- 电气动高真空挡板角阀(无波纹管密封/ISO系列)
- 电气动高真空挡板角阀(软启动系列KF)
- 电气动高真空挡板角阀(软启动系列ISO-K)
电磁高真空挡板阀
- 电磁高真空挡板角阀/KF
- 电磁高真空挡板直通阀/KF
- 电磁高真空截止阀
高真空电磁压差式带充气阀系列
- 电磁高真空断电充气阀
- 高真空电磁压差式带充气阀/KF系列
- 高真空电磁压差式带充气阀/ISO系列
- 高真空充气阀/KF
高真空插板阀系列
- 手动高真空插板阀(摆动式)
- 电气动高真空插板阀(摆动式)
- 手动高真空插板阀(中央直进式)
- 电气动高真空插板阀(中央直进式)
- 手动高真空插板阀(偏心直进式)
- 电气动高真空插板阀(偏心直进式)
- 超高真空插板阀(CF系列)
高真空蝶阀系列
- 手动高真空蝶阀
- 高真空气动蝶阀
高真空球阀系列
- 手动高真空球阀
- 电气动高真空球阀
电磁高真空截止阀/KF
超高真空挡板角阀(CF系列)
微调阀
YG系列油雾器
高真空挡板泄压角阀/KF
真空连接件ISO-KF 系列
真空连接件ISO-K系列
CF真空连接件
中心环带O形圈
变径中心环带O形圈
过滤网中心环带O形圈
外环
O型橡胶密封圈
卡箍
KF勾头
闷板
真空快卸短接头/KF
真空快卸长接头/KF
弯头(不锈钢)
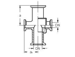
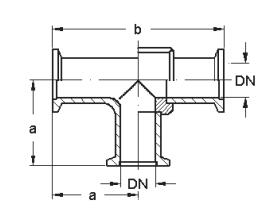
三通(不锈钢)
十字接头/KF(不锈钢)
十字变径接头/KF(不锈钢)
变径接头/KF
不锈钢真空波纹管(不锈钢)
不锈钢真空软管(KF系列)(不锈钢)
转换抽嘴/KF
电话
021-60766680
13901955618(技术)、18717947927(销售)
取消
微信
关注我们
扫一扫,详细了解产品业务。
X
产品
首页
021-60766680
13901955618(技术)、18717947927(销售)